Magnetický skříňový separátor MSS-MC
Kód: MSSMC150/5N-141106 MSSMC200/5N-141124 Zvolte variantuDetailní popis produktu
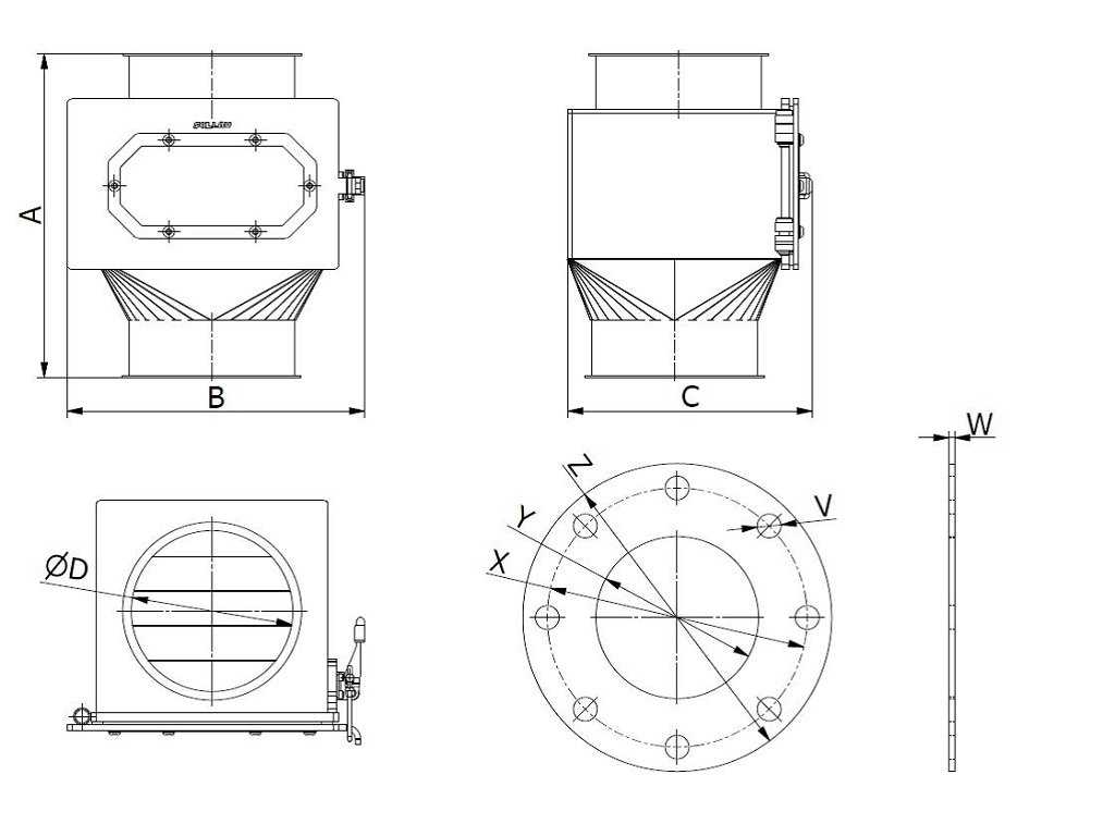
Magnetický skříňový separátor umožňuje snadné a rychlé oddělení magnetických kovových nečistot od čištěného produktu a chrání před poškozením stroje a zařízení, které následně vyčištěný materiál zpracovávají. Základ magnetického skříňového separátoru tvoří jeden nebo dva výsuvné magnetické rošty z nerezové oceli, kterými propadá čištěný práškový materiál. Velmi silné magnetické pole, generované neodymovými magnety uvnitř trubic roštů, zachycuje feromagnetické částice na povrchu roštů. V případě MSS-MC jde o klasickou konstrukci, kdy jsou magnetické rošty vůči vstupním dvířkám uloženy napříč. Díky průhledovému kontrolnímu okénku je možno průběžně kontrolovat tok materiálu a stav znečištění trubic. Při čištění se rošty vytáhnou ze separátoru a lze je snadno a rychle vyčistit, neboť po manuálním vysunutí magnetických jader z nerezových trubic feromagnetické nečistoty z povrchu trubic roštu samovolně odpadnou.
| Model | Max. kapacita** | Hmotnost (kg) |
A (mm) |
B (mm) |
C (mm) |
D (mm) |
Průměr trubic (mm) | Vzdálenosti mezi spodními trubicemi (mm) | Vzdálenosti mezi horními trubicemi (mm) | Vzdálenosti mezi spodními a horními trubicemi (mm) |
| MSS-MC 150/5 N | 7 m3/h | 20 | 300 | 275 | 225 | 149 | 32 | 32 | 32 | 23 |
| MSS-MC 200/5 N | 8 m3/h | 23 | 300 | 320 | 285 | 199 | 32 | 32 | 32 | 23 |
Poznámka:
** Maximální kapacita závisí na typu a vlastnostech čištěného materiálu
Obecná specifikace
Magnetické parametry:
- Magnetická indukce na povrchu (magnety N35 = standardní varianta): okolo 10700 G (1,07 T)
- Magnetická indukce na magnetickém jádru (magnety N35 = standardní varianta): okolo 17000 G (1,7 T)
- Magnetická tolerance: +/- 10 %
Povrchová úprava:
- Standardní povrchová úprava: pískování (Ra 1,6 µm)
Další standardní parametry:
- Materiál těla separátoru: nerez SS 1.4301 (= AISI 304)
Standardní balení:
Stretch folie + kartonová krabice
Diskuze
Buďte první, kdo napíše příspěvek k této položce.



